Riferimento: SM12
FILETTATURA 1/2 - Spie livello olio a testa esagonale con attacco filettato realizzate in lega di alluminio. - Visore in poliammide trasparente speciale compatibile con oli industriali, fluidi idraulici, benzina, gasolio e liquidi contenenti glicole. - Max Pressione di esercizio consigliata 5 Bar.- Schermo di contrasto interno in alluminio verniciato...
Riferimento: SM34
FILETTATURA 3/4 - Spie livello olio a testa esagonale con attacco filettato realizzate in lega di alluminio. - Visore in poliammide trasparente speciale compatibile con oli industriali, fluidi idraulici, benzina, gasolio e liquidi contenenti glicole. - Max Pressione di esercizio consigliata 5 Bar.- Schermo di contrasto interno in alluminio verniciato...
Riferimento: SEALHOOK
KIT "SEAL HOOK" PER LA RIMOZIONE FACILITATA DI GUARNIZIONI COMPOSTO DA 8 CACCIAVITI CON DIVERSI UNCINI.
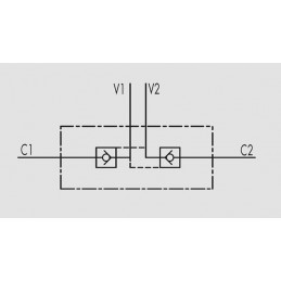
Valvola utilizzata per bloccare in posizione un cilindro in entrambi i sensi, consentendo il flusso in una direzione ed impedendolo in senso contrario fino a quando non viene applicata la pressione di pilotaggio. Questa valvola risulta particolarmente adatta per il montaggio su cilindro. A richiesta si fornisce kit di raccordi a misura per il montaggio a interasse definito.
Select this option to create a quotation request with your cart content.
Riferimento: VBPDE-A FLV
Marca: Oleodinamica Marchesini
Valvola utilizzata per bloccare in posizione un cilindro in entrambi i sensi, consentendo il flusso in una direzione ed impedendolo in senso contrario fino a quando non viene applicata la pressione di pilotaggio. Questo modello permette il fissaggio diretto sul cilindro tramite una vite forata fornita con la valvola.
Riferimento: VBPDE-SC
Marca: Oleodinamica Marchesini
Valvola utilizzata per bloccare in posizione un cilindro in entrambi i sensi, consentendo il flusso in una direzione ed impedendolo in senso contrario fino a quando non viene applicata la pressione di pilotaggio. Questa valvola è stata studiata appositamente per cilindri con interasse molto corto. La cartuccia di ritegno fa anche da occhio per il...
Riferimento: VBPDE-FL
Marca: Oleodinamica Marchesini
Valvola utilizzata per bloccare in posizione un cilindro in entrambi i sensi, consentendo il flusso in una direzione ed impedendo in senso contrario fino a quando non viene applicata la pressione di pilotaggio. Il montaggio a flangia permette il montaggio direttamente sull'attuatore.
Riferimento: VBPDE-CMP/FLV
Marca: Oleodinamica Marchesini
Valvola utilizzata per bloccare in posizione un cilindro in entrambi i sensi, consentendo il flusso in una direzione ed impedendolo in senso contrario fino a quando non viene applicata la pressione di pilotaggio. Questo modello è stato studiato appositamente per cilindri con interasse molto corto ai quali è fissata tramite una vite forata fornita con la...
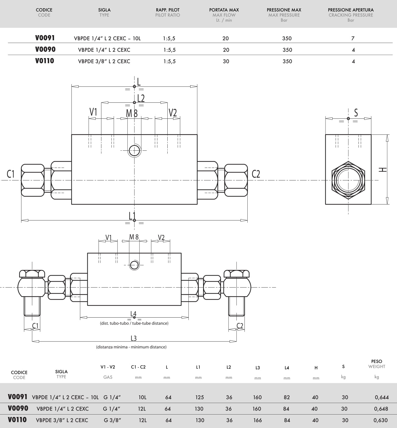
Riferimento: VBPDE-A
Marca: Oleodinamica Marchesini
Valvola utilizzata per bloccare in posizione un cilindro in entrambi i sensi, consentendo il flusso in una direzione ed impedendolo in senso contrario fino a quando non viene applicata la pressione di pilotaggio.
Riferimento: VBPDE-2CC
Marca: Oleodinamica Marchesini
Valvola utilizzata per bloccare in posizione un cilindro in entrambi i sensi, consentendo il flusso in una direzione ed impedendolo in senso contrario fino a quando non viene applicata la pressione di pilotaggio. Questa valvola risulta particolarmente adatta per il montaggio su cilindro. A richiesta si fornisce kit raccordi a misura per il montaggio a...
Riferimento: VBPDE-AL
Marca: Oleodinamica Marchesini
Valvola utilizzata per bloccare in posizione un cilindro in entrambi i sensi, consentendo il flusso in una direzione ed impedendolo in senso contrario fino a quando non viene applicata la pressione di pilotaggio. Valvola caratterizzata dalla posizione contrapposta degli attacchi V1 e V2 sulla faccia laterale del corpo.
Riferimento: VBPDE-L
Marca: Oleodinamica Marchesini
Valvola utilizzata per bloccare in posizione un cilindro in entrambi i sensi, consentendo il fusso in una direzione ed impedendolo in senso contrario fino a quando non viene applicata la pressione di pilotaggio.
Riferimento: VBPDE-C/RUB
Marca: Oleodinamica Marchesini
Valvola con rubinetto integrato utilizzata per bloccare in posizione un cilindro in entrambi i sensi, consentendo il flusso in una direzione ed impedendolo in senso contrario fino a quando non viene applicata la pressione di pilotaggio. Per l’alta sicurezza offerta sono particolarmente indicate per il montaggio su cilindri stabilizzatori: la chiusura del...
Valvola utilizzata per bloccare in posizione un cilindro in entrambi i sensi, consentendo il flusso in una direzione ed impedendolo in senso contrario fino a quando non viene applicata la pressione di pilotaggio. Questa valvola risulta particolarmente adatta per il montaggio su cilindro. A richiesta si fornisce kit di raccordi a misura per il montaggio a interasse definito.