Riferimento: SM12
FILETTATURA 1/2 - Spie livello olio a testa esagonale con attacco filettato realizzate in lega di alluminio. - Visore in poliammide trasparente speciale compatibile con oli industriali, fluidi idraulici, benzina, gasolio e liquidi contenenti glicole. - Max Pressione di esercizio consigliata 5 Bar.- Schermo di contrasto interno in alluminio verniciato...
Riferimento: SM34
FILETTATURA 3/4 - Spie livello olio a testa esagonale con attacco filettato realizzate in lega di alluminio. - Visore in poliammide trasparente speciale compatibile con oli industriali, fluidi idraulici, benzina, gasolio e liquidi contenenti glicole. - Max Pressione di esercizio consigliata 5 Bar.- Schermo di contrasto interno in alluminio verniciato...
Riferimento: SEALHOOK
KIT "SEAL HOOK" PER LA RIMOZIONE FACILITATA DI GUARNIZIONI COMPOSTO DA 8 CACCIAVITI CON DIVERSI UNCINI.
Select this option to create a quotation request with your cart content.

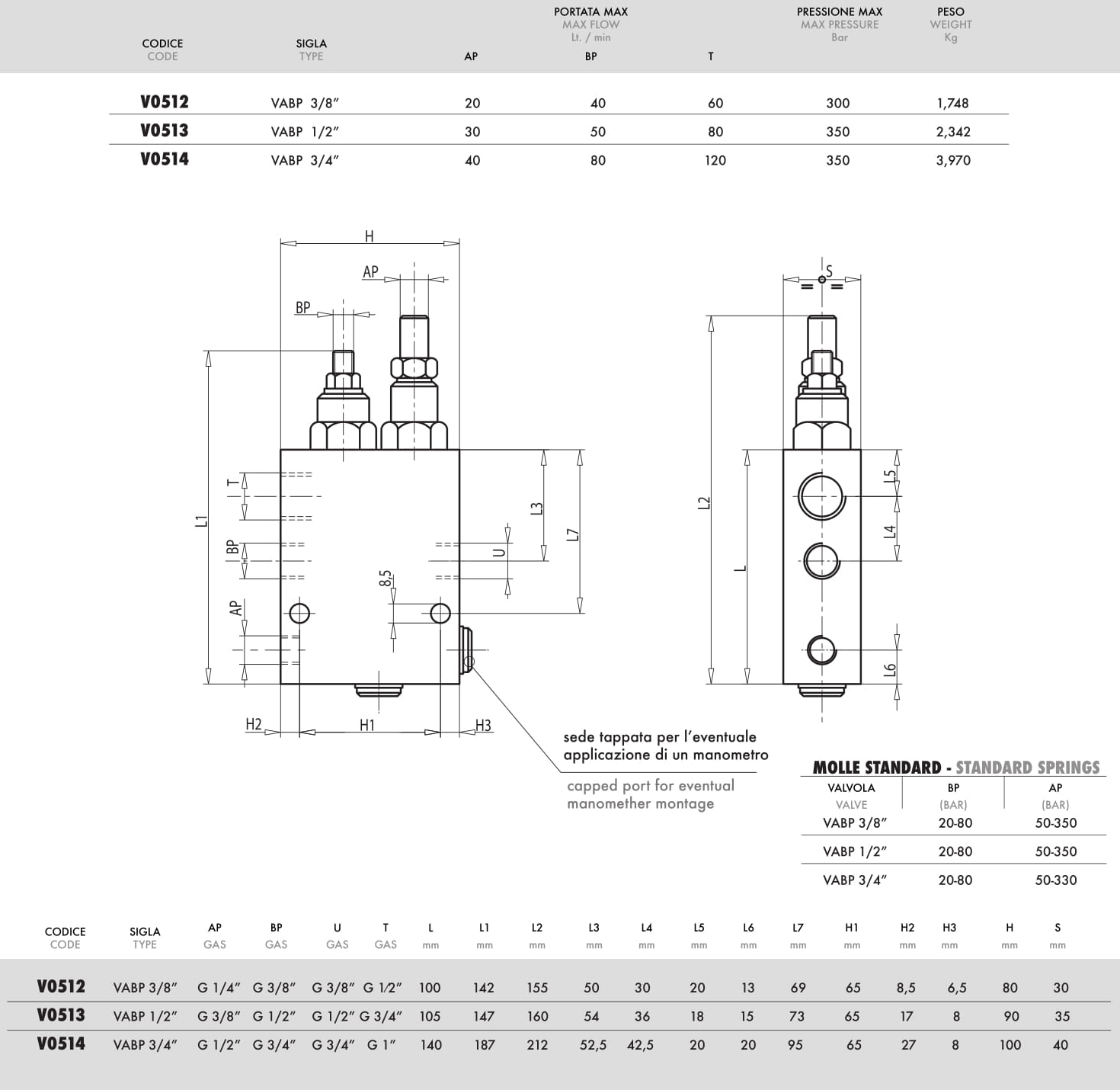
Riferimento: VABP12
Impiego In un circuito alimentato da due pompe in parallelo, valvola utilizzata per mandare a scarico la pompa di maggior portata al raggiungimento di un determinato valore di taratura. Da questo momento in poi l’attuatore lavora con la pompa di minor portata a pressione maggiore, consumando meno energia. Montaggio Collegare BP alla pompa di maggior...
Riferimento: VABP34
Impiego In un circuito alimentato da due pompe in parallelo, valvola utilizzata per mandare a scarico la pompa di maggior portata al raggiungimento di un determinato valore di taratura. Da questo momento in poi l’attuatore lavora con la pompa di minor portata a pressione maggiore, consumando meno energia. Montaggio Collegare BP alla pompa di maggior...