Riferimento: SM12

Tappo spia livello olio in Alluminio - SM 1/2

FILETTATURA 1/2 - Spie livello olio a testa esagonale con attacco filettato realizzate in lega di alluminio. - Visore in poliammide trasparente speciale compatibile con oli industriali, fluidi idraulici, benzina, gasolio e liquidi contenenti glicole. - Max Pressione di esercizio consigliata 5 Bar.- Schermo di contrasto interno in alluminio verniciato...

Riferimento: SM34

Tappo spia livello olio in Alluminio - SM 3/4

FILETTATURA 3/4 - Spie livello olio a testa esagonale con attacco filettato realizzate in lega di alluminio. - Visore in poliammide trasparente speciale compatibile con oli industriali, fluidi idraulici, benzina, gasolio e liquidi contenenti glicole. - Max Pressione di esercizio consigliata 5 Bar.- Schermo di contrasto interno in alluminio verniciato...

Tutte le migliori vendite

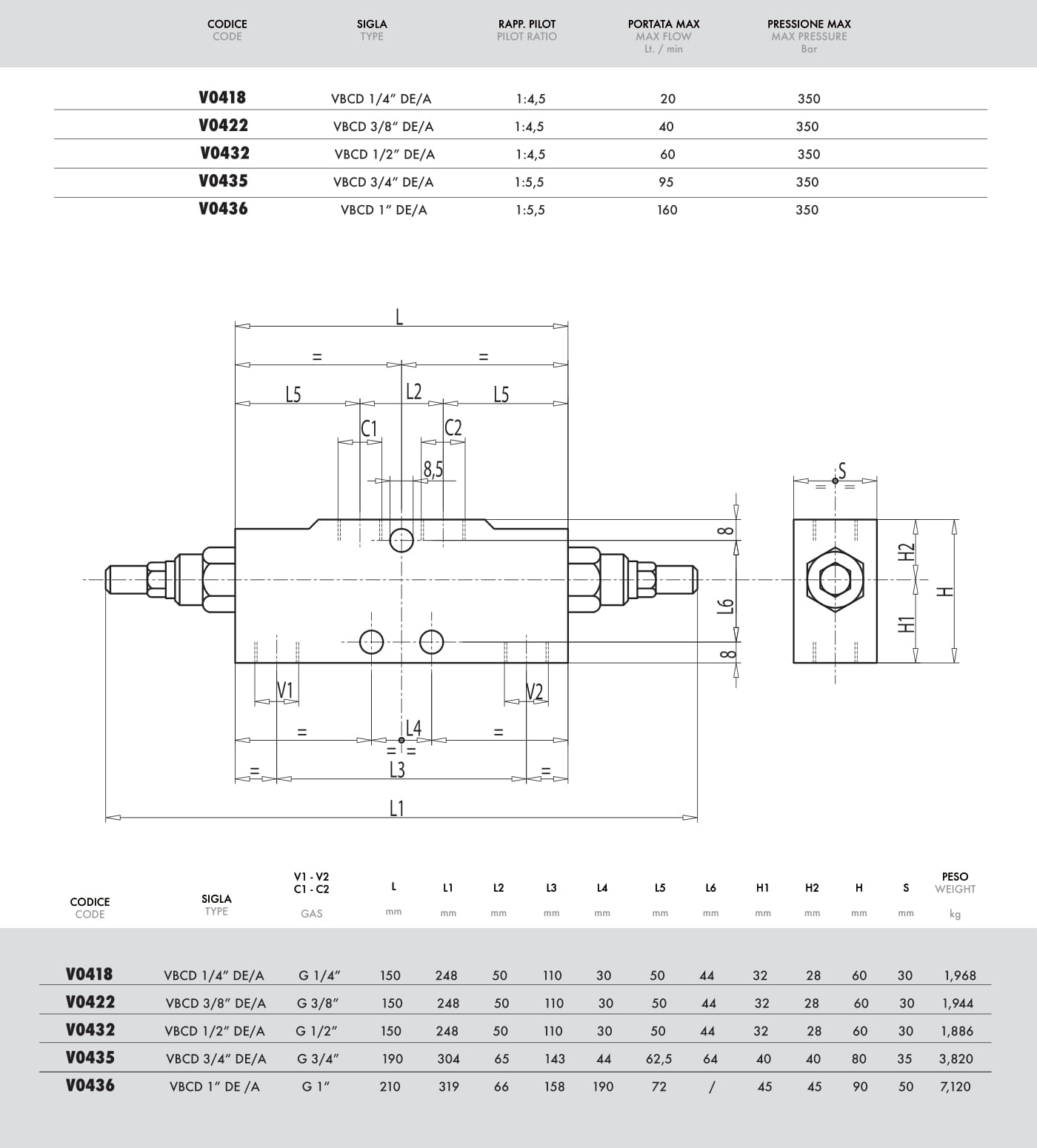
Valvola di Blocco e Controllo Discesa Doppio Effetto "Tipo A" - VBCD ... DE/A

VBCD-DE/A
  • Impiego
  • Valvola utilizzata per controllare il movimento e il blocco dell’attuatore in entrambe le direzioni realizzando le seguenti funzioni:
    • discesa controllata del carico che non sfugge trascinato dal proprio peso, in quanto la valvola non consente alcuna cavitazione dell'attuatore
    • limitazione della pressione massima in caso di urti dovuti al carico, ai sovraccarichi o a manovre brusche (controllo del carico con distributore a centro aperto).
    Il tipo “A” si differenzia dal tipo “ non A” per la posizione degli attacchi e
    per il rapporto di pilotaggio.
  • Montaggio
  • Collegare V1 e V2 all’alimentazione e C1 e C2 all’attuatore da controllare. Il montaggio è in linea.

Request a Quote

Select this option to create a quotation request with your cart content.

Descrizione

Dettagli del prodotto
VBCD-DE/A
2 altri prodotti della stessa categoria:

Riferimento: VBCD-DE/FL

Marca: Oleodinamica Marchesini

Valvola di Blocco e Controllo Discesa Doppio Effetto Flangiata - VBCD ... DE/FL

Impiego Valvola utilizzata per controllare il movimento e il blocco dell’attuatore in entrambe le direzioni realizzando le seguenti funzioni:• discesa controllata del carico che non sfugge trascinato dal proprio peso, in quanto la valvola non consente alcuna cavitazione dell'attuatore• limitazione della pressione massima in caso di urti dovuti al carico,...

Riferimento: VBCD-DE

Marca: Oleodinamica Marchesini

Valvola di Blocco e Controllo Discesa Doppio Effetto - VBCD ... DE

Impiego Valvola utilizzata per controllare il movimento e il blocco dell’attuatore in entrambe le direzioni realizzando le seguenti funzioni:• discesa controllata del carico che non sfugge trascinato dal proprio peso, in quanto la valvola non consente alcuna cavitazione dell'attuatore;• limitazione della pressione massima in caso di urti dovuti al...