Riferimento: SM12
FILETTATURA 1/2 - Spie livello olio a testa esagonale con attacco filettato realizzate in lega di alluminio. - Visore in poliammide trasparente speciale compatibile con oli industriali, fluidi idraulici, benzina, gasolio e liquidi contenenti glicole. - Max Pressione di esercizio consigliata 5 Bar.- Schermo di contrasto interno in alluminio verniciato...
Riferimento: SM34
FILETTATURA 3/4 - Spie livello olio a testa esagonale con attacco filettato realizzate in lega di alluminio. - Visore in poliammide trasparente speciale compatibile con oli industriali, fluidi idraulici, benzina, gasolio e liquidi contenenti glicole. - Max Pressione di esercizio consigliata 5 Bar.- Schermo di contrasto interno in alluminio verniciato...
Riferimento: SEALHOOK
KIT "SEAL HOOK" PER LA RIMOZIONE FACILITATA DI GUARNIZIONI COMPOSTO DA 8 CACCIAVITI CON DIVERSI UNCINI.
Select this option to create a quotation request with your cart content.

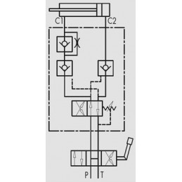
Riferimento: VRAP100110DE
Impiego Valvola realizzata per l’impiego su cilindri per aratri reversibili, in modo da ottenere l’inversione automatica del flusso d’olio e quindi del moto del cilindro idraulico atto a portare in rotazione l’aratro. È dotata di una valvola di blocco a doppio effetto che fornisce una maggiore sicurezza e dà la possibilità di posizionare e bloccare il...
Riferimento: VRAP4050DE
Impiego Valvola realizzata per l’impiego su cilindri per aratri reversibili, in modo da ottenere l’inversione automatica del flusso d’olio e quindi del moto del cilindro idraulico atto a portare in rotazione l’aratro. È dotata di una valvola di blocco a doppio effetto che fornisce una maggiore sicurezza e dà la possibilità di posizionare e bloccare il...
Riferimento: VRAP110130DE
Impiego Valvola realizzata per l’impiego su cilindri per aratri reversibili, in modo da ottenere l’inversione automatica del flusso d’olio e quindi del moto del cilindro idraulico atto a portare in rotazione l’aratro. È dotata di una valvola di blocco a doppio effetto che fornisce una maggiore sicurezza e dà la possibilità di posizionare e bloccare il...
Riferimento: VRAP80100DE
Impiego Valvola realizzata per l’impiego su cilindri per aratri reversibili, in modo da ottenere l’inversione automatica del flusso d’olio e quindi del moto del cilindro idraulico atto a portare in rotazione l’aratro. È dotata di una valvola di blocco a doppio effetto che fornisce una maggiore sicurezza e dà la possibilità di posizionare e bloccare il...